The engine sounds very nice, even with the hot camsetup. Need about 1050-1150 rpm to make it idle clean.Fair enough. Now with a "no responding idle valve" it is down to 350-400 rpm before it stops. Probably just a little detail that i am missing. Mid/top is just music....
Jarle
Ok, I have spoken to quite a few local tuners, non of them used an idle engine. They got rid of the "idle system" and open the throttle a little, no problem as you can use the idle igniton function. Mine is idling at 900-950 rpm now.
I am going to adjust the fuel delivery next, as the bottom is rich and the mid/mid top is lean. At start up I set the calculated fuel value to 13,5, this works fine on mid/top with a A/F of 13-13,3 but the bottom goes to rich A/F 10,8-11. So at idle I reduce the calculated fuel value to 9.
Do you use the stock fuelpressure regulator? What pressure do you use?
Looking forward to hear about your dyno run..
If you do not want to share maps on the forum you can e-mail me at: hvarhaug@online.no
Jarle
I am going to adjust the fuel delivery next, as the bottom is rich and the mid/mid top is lean. At start up I set the calculated fuel value to 13,5, this works fine on mid/top with a A/F of 13-13,3 but the bottom goes to rich A/F 10,8-11. So at idle I reduce the calculated fuel value to 9.
Do you use the stock fuelpressure regulator? What pressure do you use?
Looking forward to hear about your dyno run..
If you do not want to share maps on the forum you can e-mail me at: hvarhaug@online.no
Jarle
Re: Autronic
Ok, I'm gathering info here and would appreciate any feedback from those using Autronic SMC (Zamani, Jarle, 75evo?)
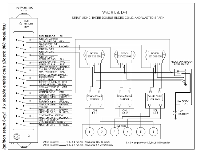
I acquired a Honda PnP Autronic ECU quite cheap, which is nothing but an Autronic SMC (v1.94) with a 2 channel dwell board and autotune. Dwell board seems to be a drawback as V6 engine would need 3 ignition outputs for wasted spark, so with the Dwell add-on only 4 cylinders would run. The PnP ECU will be modified and it'll be a fully functional SMC with no restrictions.
One idea would be to make the configuration on my GTV6 as below, so with bosch 'smart' ignitors and coil packs.
It would be great if someone using same or similar setup could list the components he used for his config. I would need an Autronic cal file with some base map, if that could be shared too.
My car is with a 3.0V6 from an Alfa 75 and it has 60-2 trigger wheel. I also have an Alfa 155 V6 coil pack, in case this is something recommended to use.
Thanks for the infos!
I acquired a Honda PnP Autronic ECU quite cheap, which is nothing but an Autronic SMC (v1.94) with a 2 channel dwell board and autotune. Dwell board seems to be a drawback as V6 engine would need 3 ignition outputs for wasted spark, so with the Dwell add-on only 4 cylinders would run. The PnP ECU will be modified and it'll be a fully functional SMC with no restrictions.
One idea would be to make the configuration on my GTV6 as below, so with bosch 'smart' ignitors and coil packs.
It would be great if someone using same or similar setup could list the components he used for his config. I would need an Autronic cal file with some base map, if that could be shared too.
My car is with a 3.0V6 from an Alfa 75 and it has 60-2 trigger wheel. I also have an Alfa 155 V6 coil pack, in case this is something recommended to use.
Thanks for the infos!


